サブ゙電源供給・走行充電システム その①
2018年6月
⬛ 車中泊やアウトドアで利用するために、サブバッテリの電源供給と走行充電のシステムをエブリイワゴン(DA17W)に装備しています。
上の写真は、サブバッテリからの電源により、12VでオーディオNAVI、DVDプレイヤー、中央のLEDライトを、また5Vでスライドドア両サイド上部のLEDライト、天井ファン、USB電源(スマホ等充電)を作動させた状態です。そして19VでノートPCを使えるように設定しています。
◼エブリイワゴンDA17Wは充電制御型の充電方式です。定電流・電圧充電ではなく、燃費軽減対策としても充放電を繰り返して制御を行い、発電負荷を軽減している方式です。
そのため、サブバッテリ充電には、コンバータ・レギュレータにより昇圧して、定電流圧の充電が必要となります。
今回、このシステムの中心的役割となる、中国製DCDC昇圧コンバータ・定電流圧レギュレータをAmazonで購入し、利用しました。
上の写真が実装したDroking社発売の[電源電圧レギュレータ可変DC 8-60V〜10-120V 15A昇圧コンバータ LED電圧電流計付き] (4,308円)で、放熱ヒートシンクにファンが付き、プッシュSWで充電圧・電流が設定できるデジタルメータ付きなので、とても便利。
この製品の放熱ヒートシンクの側面に逆流防止用のSKBダイオード(MBR3045FCT)を取り付け、上面にオーバーヘッド゙SWで作動ON-OFFさせるリレーを3個載せて貼り付けています。
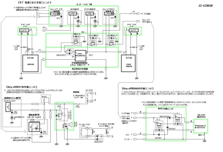
このシステムの全体配線図です。 (クリックして拡大してご覧ください)
図面の上段が、[サブ゙電源供給・走行充電システム]で、その真ん中にDCDCコンバータ・レギュレータが有り、左横に逆流防止ダイオード(MBR3045FCT)、そして上にリレーが並び、その上に4つのSWが並んでいます。 (以後このDCDCコンバータ・レギュレータを[本体コンバータ]と記します。)
図面下段の左側は、キーオフ時にパワーウインドウを作動させる為の回路で、サブバッテリではなく車本体のヒューズから電源を取り、そのヒューズボックスにあるP/Wヒューズを介して動作させますからサブ電源とは別ですが、電源を入れるためのリレーを作動させるSWを、他の作動SWと並べて運転席頭上に持ってきています (オーバーヘッドSW) ので、このシステムに含めて図面に記載しています。
図面の右側は、キーを切っている状態でオーディオNAVIを作動させるための[キーオフ時NAVI]システムです。
ちょっと分かりにくいと思いますので、下図でイメージしてください。
*上記の[キーオフ時パワーウインドウ] と [キーオフ時NAVI]のシステムは、matrasanのホームページ「SLエブリイホームメイドキャンパー」の記事「何時でもナビ」「何時でもパワーウィンドウ」のアイデアを参考にさせて戴いています。走行充電や車中泊に関心をお持ちの方は、是非ご覧になることをお勧め致します。電子回路をご自身で設計、製作されておられるほか、車中泊にまつわる数々のアイデヤや紀行ブログなど、楽しい記事もいっぱいですよ。raanmatrasan
図面右側が、車のフロント側になるイメージです。
一番前に、前記の[キーオフ時パワーウインドウ]と[キーオフ時NAVI]の装置写真がありますが、これは実際はどちらもダッシュボードの下部、NAVIの下あたりの隙間に入れてあり、外からは見えません。この作動の為のリレーSWが、図面上部写真のオーバーヘッドコンソールに接して付けているSWボックスに有ります。
「キーオフ時P/W」と図の真ん中上の写真「ワンタッチ室内灯」「天井ファン」は以前の記事でご紹介していますので、ご興味の有る方はそちらをご覧ください。
◼予め配線を端子接続できるように、リレーの足に一方の接続端子を半田付けし、不要な足は熱収縮チューブで絶縁。必要な部分の配線を施した[本体コンバータ]を、ちょうどうまく収まるプラスティックの籠が有ったので、そこに入れて、主バッテリに近い後部座席の下、左側の暖房ファンモーターの外側の空きスペースに収めました。
エブリイワゴンには座席下に暖房ファンがあり、暖気が足下に吹き出るようになっていますが、稼働時のファン周りは結構熱いので、念のため断熱シートの端切れで籠や配線を熱から遮蔽します。外側はスライドドアのそばで、蓋がガラリに成っているので、まあ大丈夫かな。
設置した[本体コンバータ]に、オーバーヘッドSWから各リレーへの配線と[サブ電源供給デッキ]に接続するサブACC用ケーブル(上の写真の中くらいの赤色線)、NAVI用電源線、そしてサブバッテリの+ケーブル(太い赤色線)等を接続。
◼実際に設定したサブバッテリへの充電値です。
左が電流値4.75A、右が電圧値14.5Vの設定にしています。
私は実のところは、今はあまり長距離を走り込む事もないし、それほどサブ電源を稼働することもないので、電流値は、状況によりある程度は変えるつもりですが、サブバッテリとして購入した充電制御車に適したメンテナンスフリー(MF)で定評のあるPANASONICのCAOS 60B19L/C5に差し障りのないと思う程度の値にし、走行充電は気やすめ程度なので随時、自作の自動充電器でチャージすることにしてます。
◼[サブ電源供給デッキ]と名付けたものです。
Amazonで購入した、いずれも中国製の昇圧と降圧のDCDCコンバータ、デジタルメータ、USBソケットそれに2.1DCジャックソケット、トグルSW等を、100均ケースの側面に取り付けて、そこへ本体コンバータのサブACC出力配線を持ってきます。ちょうど、このケースがエブリイワゴンのラゲージ壁面のポケットに具合良く収まります。
配線は、ポケットの底の側面に1.5cm程度の穴を開けて通しています。
[本体コンバータ]を介して取り出したサブACC用電源のケーブル(前記の中くらいの赤色線)がこのデッキに入り、降圧DCDCコンバータで5V電源となり、USBや室内LEDタッチライト、天井ファン等へ。一方、昇圧DCDCコンバータで19Vに変換してノートパソコン用の電源ジャックに給電します。
NAVIとDVDプレイヤー電源は、[本体コンバータ]のリレーからダッシュボード下の装置へ。
デッキの各ポートそれぞれの用途は、写真の上段に記入しています。
◼以上、簡単な説明ですが、[キーオフ時NAVI]と[オーバーヘッドSW]の説明は、次回以降、サブ゙電源供給・走行充電システムその①、その②でご紹介します。
この記事は「みんカラ」でも投稿しています。
https://minkara.carview.co.jp/userid/2903716/car/2513605/4833531/note.aspx
ご覧頂きまして、有りがとうございました m(_ _)m







